HOWSE Rotary Brush Cutter

Titan Rotary Cutter Parts Diagram. Titan Hedge Trimmer Parts Reviewmotors.co This equipment has been designed and manufactured to meet the needs of discerning users The Titan Implement rotary cutter is designed to cut

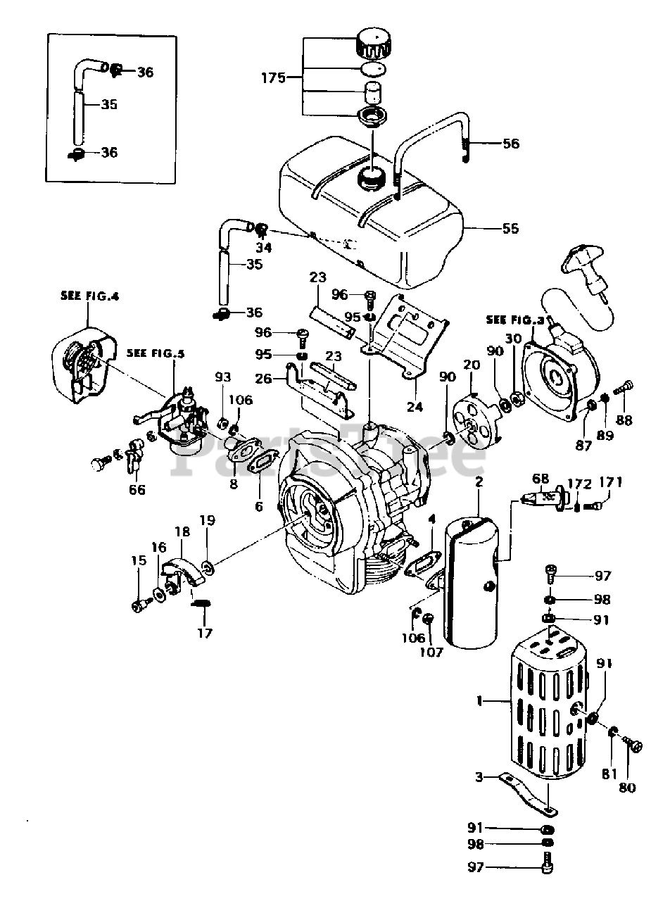
Tanaka TBC205 Tanaka Brush Cutter Engine Parts Lookup with Diagrams
Tanaka TBC205 Tanaka Brush Cutter Engine Parts Lookup with Diagrams from www.partstree.com

Tail Wheel Assembly For Rotary Cutter 1-1/4" Shaft Bush Hog, Howse (1) brand new ROTARY CUTTER WHEEL FORK ASSEMBLY BLADE ROTATION FOLLOW ORIGINAL PATTERN TOP VIEW TI-00468 1/16"

Tanaka TBC205 Tanaka Brush Cutter Engine Parts Lookup with Diagrams

1800 Series Pull Type Rotary Cutters Titan Implement, LLC January 2021 (423) 334-0012 Please reach out to our experts for any questions regarding any rotary cutter gearboxes, rotary cutter blades, lawn mower parts, and wheel parts Page 58: Hitch Assembly 5/8-11 x 2" 5/8-11 x 2" Back Brace, 1/4" X 2" X 44-1/2" 120008 Back Brace, 3/8" X 2" X 36" 110031 110030 A-Frame Spacer.

Understanding the King Kutter Rotary Cutter Parts Diagram A. The Titan Implement rotary cutter is designed to cut grass, weeds, and light brush Please reach out to our experts for any questions regarding any rotary cutter gearboxes, rotary cutter blades, lawn mower parts, and wheel parts

Titan Hedge Trimmer Parts Reviewmotors.co. Big Bee Titan Rotary Cutter Owners/ Operators Manual TITAN ROTARY PARTS DESCRIPTION PTO SHAFT SHEAR BOLT WASHER NUT CARRIER BLADE - DESIGNATE ROTARY CUTTER SIZE 5' OR 6' BOLT NUT LOCK WASHER CASTLE NUT WASHER